Principal Garden Principal Garden
Total Apartment Units
Project Details.
Principal Garden
Location : Sine Board, Narayanganj
Building Name
Principal Garden
Total Land Area
238900 Sq Feet
Swimming Pool
Available
Bathrooms
1800
Bedrooms
23+
Total Unit Number
23
Bathrooms
23
Total Unit Number
16
Bathrooms
30+
Swimming Pool
Not Available
Bedrooms
23
Status
ONGOING
Principal Garden Principal Garden
Principal Garden Elevate Your Lifestyle
Principal Garden represents the pinnacle of modern, safe, and convenient urban living. Strategically designed with a commitment to quality, this landmark residence features an Earthquake-Safe Structure and comprehensive Advanced Fire Safety measures, ensuring peace of mind for every resident.
Safety and comfort are paramount, secured by 24/7 CCTV Security and Secured Basement Parking. The convenience of Full Power Backup and High-Speed Elevators guarantees an uninterrupted experience.
Principal Garden
About
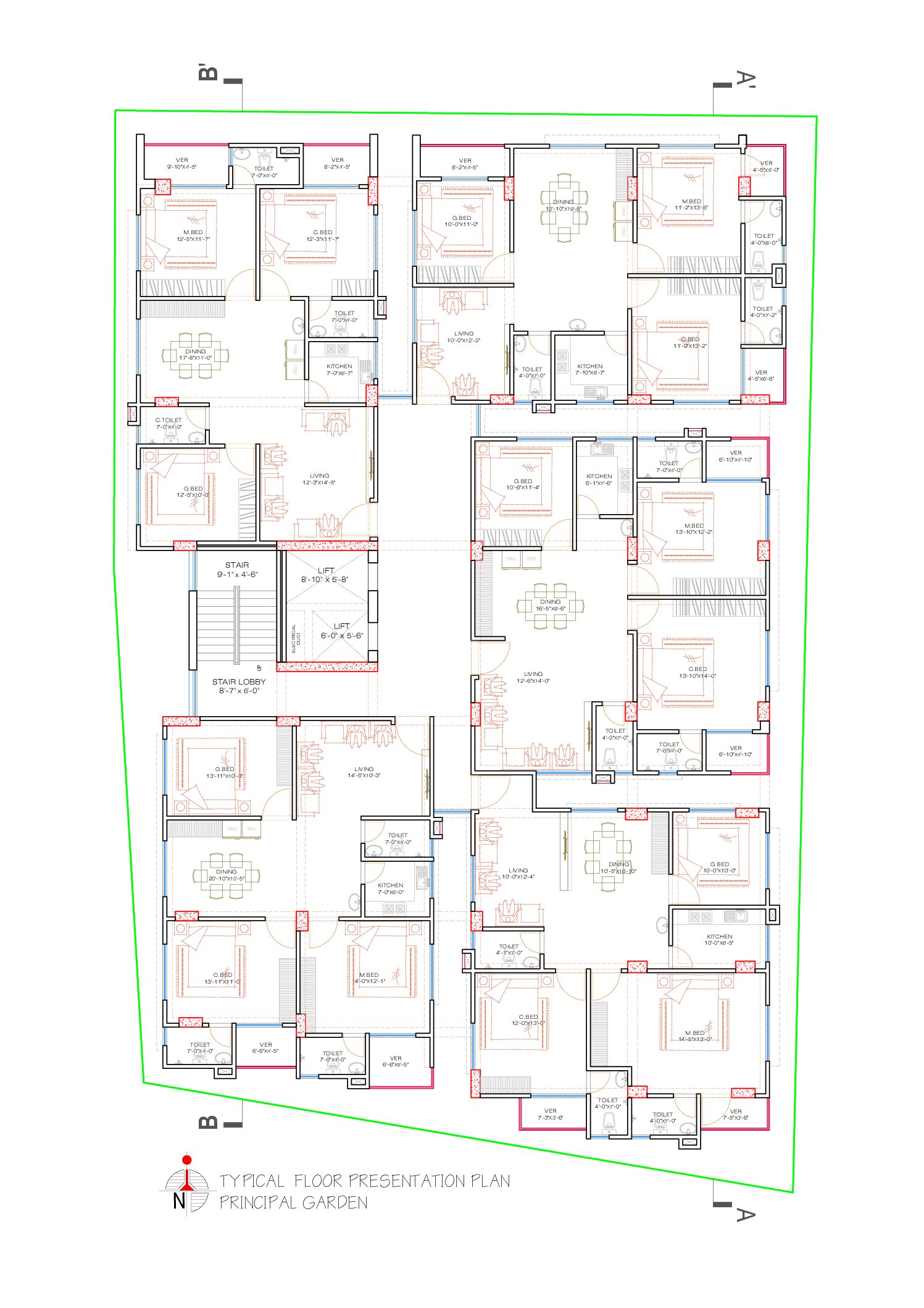
Floor Plan.
Principal Garden, Location: Sine Board, Narayanganj
Unite Type
5
Bedrooms
4 Units
Bathrooms
5 Units
Veranda
3
Kitchen
1
Dining & Drawing
1 + 1
Apartment Unit Size
SFT-2000
Bedroom
BedRoom-1
Bedroom
Bedroom-2
Bedroom
Bedroom-3
Bedroom
Bedroom-3
Features & Amenities
Our work strives to enhance our sense of place, identity and relationship to others and the physical spaces we inhabit, whether feral or human-made.

Secure Garage Parking

Rooftop Green Garden

24/7 CCTV Security

Full Power Backup

High-Speed Elevators

Advanced Fire Safety

Elegant Reception Lobby

Elegant Reception Lobby

Premium Utility Fittings

Efficient Waste System

Earthquake-Safe Structure

Resident Service Desk